Реле контролю напруги та фаз Новатек-Електро РНПП-311М трифазне 5A 24B (NTRNP311D)
- Основна інформація
- Опис
- Характеристики
- Написати відгук про товар
- Максимальна потужність реле:
- 230 Вт
- Максимальний струм:
- 5 А
- Кількість фаз:
- 3
- Тип товару:
- реле напруги
Даний товар не підлягає довготривалому гарантійному обслуговуванню. У випадках несправності, ви можете обміняти або повернути товар протягом 14 днів після отримання.
Трифазне реле напруги і контролю фаз РНПП-311M (24В), NTRNP311D
РНПП-311М (24В) призначене:
- для контролю допустимого рівня напруги;
- для контролю правильного чергування і відсутності злипання фаз;
- для контролю повнофазності і симетричності напруги мережі (перекосу фаз);
- для вимкнення навантаження при неякісній напрузі мережі;
- для контролю напруги мережі після вимкнення навантаження і автоматичного увімкнення її після відновлення параметрів напруги;
- для відображення аварії при виникненні аварійної ситуації і відображення наявності напруги на кожній фазі.
RNPP-311M (24В) здійснює контроль нуля непрямим методом. У виробі передбачені можливості регулювання параметрів (порогу спрацьовування за напругою, часу АПВ і часу затримки спрацьовування захисту), вибору напруги мережі, що контролюється (400 В або 415 В) і набору захисних функцій. Після відновлення параметрів напруги мережі виріб знову вмикає навантаження через час АПВ.
РНПП-311М (24В) працює в різних режимах:
– Контроль мінімальної / максимальної напруги;
– Контроль мінімальної напруги; – Контроль максимальної напруги;
– Контроль наявності фаз;
– Контроль неправильного чергування і наявності злипання фаз;
– Контроль перекосу фаз.
Контроль наявності фаз зберігається в будь-якому режимі роботи. В усіх режимах роботи виріб спрацьовує при обриві фаз або зниженні напруги нижче 100 B на одній або декількох фазах за фіксований час 0,2 с.
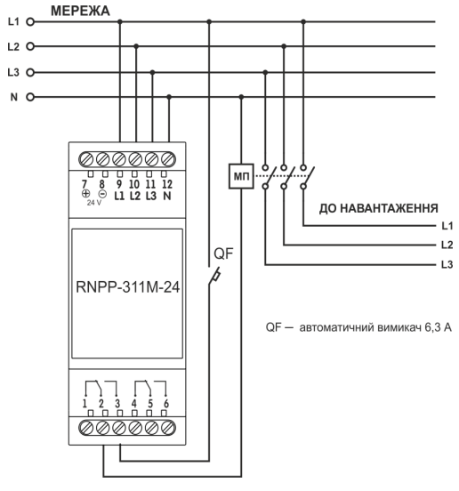
Виріб на виході має дві групи незалежних вихідних перекидних контактів (1-2-3, 4-5-6). В «ХОЛОДНОМУ СТАНІ» (виріб без напруги, не підключений) контакти 1-2 (4-5) замкнені, а контакти 2-3 (5-6) розімкнені.
Коли реле навантаження спрацьовує, вимкнення навантаження відбувається шляхом розриву ланцюга живлення котушки МП через контакти 1-2 (4-5), за виключенням режиму «Контроль максимальної напруги», в якому виріб працює із зворотною логікою увімкнення.
Переваги: Підключення через пускач; Можливість відключення захисних функцій; Перекидний контакт; Компактний розмір; Живлення 24В постійного струму; Декілька режимів роботи.Сфера застосування: Для контролю фазових та лінійних напруг в трифазній мережі; Для захисту трифазного або, в деяких випадках, однофазного обладнання від аварій в трифазній мережі, як-то: аварія за напругою, неправильне чергування та злипання фаз, неповнофазність та несиметричність напруги; Ідеально підходить для захисту холодильних та вентиляційних установок, шафів АВР. Основні можливості
- Контроль дозволеного рівня діючого значення напруги;
- Контроль правильного чергування фаз та відсутності їх злипання;
- Контроль повнофазності та симетричності мережевої напруги;
- Вимикання навантаження шляхом розмикання ланцюга живлення котушки магнітного пускача у разі виникнення умов для спрацьовування;
- Контроль якості напруги мережі після відключення навантаження та його автоматичне увімкнення після відновлення параметрів напруги; Можливість відключення захисних функцій.
| Найменування | Значення |
| Номінальна лінійна / фазна напруга живлення мережі, В | 400 / 230, 415 / 240 |
| Частота мережі, Гц | 45 – 65 |
| Діапазон регулювання порогу спрацьовування за максимальною / мінімальною напругою живлення, у відсотках від номінальної напруги | 5 – 50 |
| Діапазон регулювання часу спрацьовування захисту, с | 0 – 10 |
| Діапазон регулювання часу АПВ, с | 0 – 600 |
| Фіксована затримка спрацьовування за мінімальною напругою, с | 12* |
| Час спрацьовування при обриві однієї з фаз, с, не більше | 0,2 |
| Час готовності під час подання напруги живлення, с, не більше | 0,2** |
| Величина визначення перекосу фаз, В | 60 |
| Гістерезис за напругою, В | 5 – 6 |
| Гістерезис за перекосом фаз, В | 5 – 6 |
| Точність визначення порогу спрацьовування за напругою, В, не більше | 3 |
| Точність визначення перекосу фаз, %, не більше | 2 |
| Споживана потужність (під навантаженням), Вт, не більше | 1,2 |
| Максимальний комутуючий струм вихідних контактів, А | 5 |
| Ступінь захисту лицьової панелі | IP40 |
| Ступінь захисту клемника | IP20 |
| Клас захисту від ураження електричним струмом | II |
| Кліматичне виконання | УХЛ 3.1 |
| Допустима ступінь забруднення | II |
| Категорія перенапруження | II |
| Номінальна напруга ізоляції, В | 450 |
| Номінальна імпульсна витримана напруга, кВ | 2,5 |
| Переріз проводів для підключення до клем, мм² | 0,5 – 1,5 |
| Момент затягнення гвинтів клем, Н*м | 0,4 |
| Маса, кг, не більше | 0,100 |
| Габаритні розміри, H*B*L, мм | 90,2*36*64,5 |
Характеристики Реле контролю напруги та фаз Новатек-Електро РНПП-311М трифазне 5A 24B (NTRNP311D)
- Тип товару:
- реле напруги
Основні характеристики Реле контролю напруги та фаз Новатек-Електро РНПП-311М трифазне 5A 24B (NTRNP311D)
- Ціна:
- 1 455 ₴/шт.
- Тип товару:
- реле напруги
Технічні особливості
- Максимальний струм:
- 5 А
- Максимальна потужність реле:
- 230 Вт
- Номінальна частота:
- 50 Гц
- Номінальна напруга:
- 230 В
- 400 В
- Кількість фаз:
- 3
- Конструкція реле напруги:
- DIN-рейка
- Час затримки вмикання:
- 1 сек
- Захист:
- підвищеної/зниженої напруги
Додаткова інформація
- Бренд:
- Новатек
- Країна-виробник:
- Україна
Написати відгук про товар
0
На цей товар ще не залишили відгук, будьте першим!


