Переключатель нагрузки I-0-II Schneider Electric GoPact MTS200 4P 200A 415V выносная ручка (GM20D4N2004BEE)
- Основная информация
- Описание
- Характеристики
- Написать отзыв о товаре
Данный товар не подлежит длительному гарантийному обслуживанию. В случаях неисправности, вы можете обменять или вернуть товар в течение 14 дней после получения.
РВР GoPact MTS200 200A 4P выносная ручка, GM20D4N2004BEE
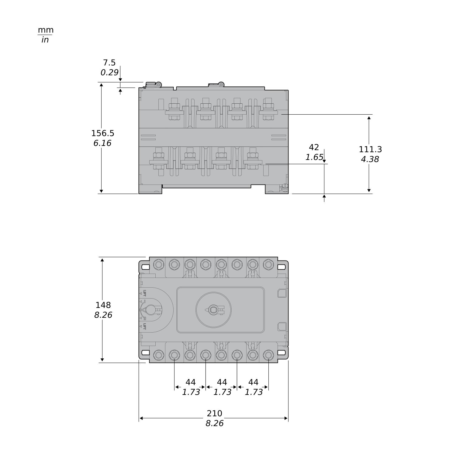
Этот продукт является частью новой серии оборудования GoPact Ручной переключатель-нагрузки (GoPact MTS). Это оборудование для ручного переключения нагрузки или узел переключения источников питания, позволяющий переключать нагрузку из обычного источника N на резервный источник R. Он состоит из 2-х механически сблокированных 4-х полюсных выключателей-нагрузок. GoPact MTS сочетает в себе компактность, высокую производительность и удобство для клиентов. GoPact MTS имеет хорошее соотношение цена-качество для простых приложений и обеспечивает надежное электрическое решение для ваших приложений. Линейка GoPact MTS включает номиналы от 63 A до 2000 A в 6 типоразмерах. GoPact MTS 200 доступен в размере корпуса 2. Номинальный рабочий ток (Ie) составляет 200 А с категорией использования AC-23A в соответствии со стандартом IEC 60947-3 и с категорией использования AC32-B в соответствии со стандартом IEC60947-6-1. Рабочее напряжение до 415 В переменного тока 50/60 Гц. Переключатель-нагрузка имеет 3 стабильных положения (положения Включено I или II и положение Выключено O), которые четко обозначены на лицевой стороне продукта. Он управляется с помощью выносной поворотной ручки, которая может быть заблокирована в положении ВЫКЛЮЧЕН с помощью 3 замков. GoPact MTS оснащен набором вспомогательных контактов как стандартный аксессуар, состоящий из 2 переключающих контактов NO/NC (по одному для каждого выключателя-нагрузки). Степень защиты IP – IP54 на лицевой стороне внутри корпуса в соответствии с IEC 60529. Размеры продукта: 210 мм2(длина) x 138 мм2(ширина) x 154 мм2(высота). Вес изделия: 4 кг. GoPact MTS 200 отвечает стандартам IEC 60947-3 и IEC60947-6-1. Серия GoPact MTS обладает преимуществами гарантии качества Schneider Electric.
| Название продукта | GoPact MTS 200 |
| Тип изделия или компонента | ручной переключатель |
| Описание полюсов | 4P |
| [Ithe] условный тепловой ток в оболочке | 200 А (40 °C) |
| [Ith] условный тепловой ток | 200 А на 40 °C |
| [Ue] номинальное рабочее напряжение | 415 В переменный ток 50/60 Гц |
| Индикатор положения контакта | да |
| Стандарты | МЕК 60947-6-1 |
| Монтажная опора | задня панель |
| Клеммы подключения | 1 кабель с наконечником размер провода 150-150 мм2 |
| [Icm] номинальная наибольшая включающая способность | 14 кА пик |
| Отключающая способность | 1600 А AC-23A |
| Количество позиций контактов | 3 |
| Рабочая температура окружающей среды | -5-55 °C |
| Степень защиты | IP54 front face в соответствии с МЕК 60529 |
| Тип управления | удлиненная поворотная ручка |
| Способ крепления | фиксация |
| [Icw] номинальный кратковременно допустимый ток | 10 кА впродовж 0.1 с в соответствии с МЕК 60947-6-1 |
| Таблица температурного убыли параметров | 55 °C ( 190 А ) |
| Размер рамы | 200 |
| Ширина | 210 мм |
| Высота | 211 мм |
| Глубина | з ручкою: 267 мм |
| Масса нетто | 4 кг |
| Режим работы | Ручной |
| Класс защиты от поражения электрическим током | Класс II |
| [Ui] номинальное напряжение изоляции | 1000 В переменный ток |
| Механическая износостойкость | 16000 циклов |
| Механическое взаимоблокирование | с механической блокировкой |
| Класс выключателя ввода резерва | ПК |
| Номинальная рабочая мощность [Вт] | 85 кВт AC-23A в соответствии с МЕК 60947-3 |
| Описание параметров блокировки | от 1 до 3 навесных замков |
| Момент затягування | 10 Н.м |
| Электрическая износостойкость | 1000 циклов 415 В |
| [Ie] номинальный рабочий ток | AC-32В: 200 А в соответствии с МЕК 60947-6-1 |
| [Uimp] номинальное импульсное выдерживаемое напряжение | 12 кВ |
| Страна производитель | Германия |
| Производитель | Schneider Electric |
Характеристики Переключатель нагрузки I-0-II Schneider Electric GoPact MTS200 4P 200A 415V выносная ручка (GM20D4N2004BEE)
Основные характеристики Переключатель нагрузки I-0-II Schneider Electric GoPact MTS200 4P 200A 415V выносная ручка (GM20D4N2004BEE)
- Бренд:
- Schneider Electric
- Количество полюсов:
- 4 шт.
- Номинальное напряжение:
- 415В В
- Номинальный ток:
- 200 А
- Тип монтажа:
- встроенный
- Тип товара:
- переключатель
Дополнительная информация
- Страна-производитель:
- Германия
- Частота:
- 50 Гц
Написать отзыв о товаре
0
На этот товар еще не оставили отзыв, будьте первым!




