Котел твердотопливный ML NEW 12 Вт
- Основная информация
- Описание
- Характеристики
- Написать отзыв о товаре

- Мощность:
- 12 кВт
- Гарантия:
- 36 мес.
- Количество секций:
- 1 шт.
- Бренд:
- KHORS
- Особенности:
- с термометром
- с водяным контуром
- энергонезависимые
- Тип котла:
- длительного горения
- классический
- Материал теплообменника:
- сталь
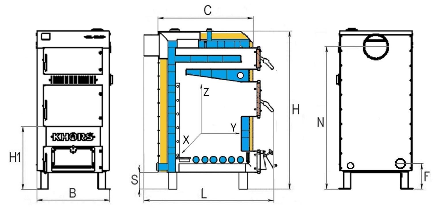
| Модель | B | C | L | H | H1 | S | N | F | F1 | X | Y | Z |
| ML 12 | 490 | 595 | 870 | 1050 | 425 | 100 | 945 | 168 | 312 | 400 | 450 |
| ML 16 | 490 | 680 | 950 | 1150 | 525 | 100 | 1045 | 168 | 312 | 480 | 550 |
| ML 22 | 490 | 780 | 1050 | 1300 | 675 | 100 | 1195 | 168 | 312 | 580 | 700 |
| ML 30 | 590 | 780 | 1050 | 1300 | 675 | 100 | 1195 | 168 | 412 | 580 | 700 |
Котлы Khors™ серии МL – водогрейные отопительные котлы, построенные по традиционной трехходовой схеме пенального теплообменника, с комбинированными водонаполняемыми колосниками, проверенной многими десятилетиями и не одним поколением потребителей, предназначенные для установки и использования в частных домах, бытовых сооружениях и 2 в зависимости от выбранной мощности.
Котлы предусматривают возможность установки как в новые, так и уже существующие системы отопления, как открытого типа, так и с принудительной циркуляцией теплоносителя закрытого типа.
Топка и теплообменник котла – это цельнометаллическая сварная конструкция, сделанная из сертифицированной жаропрочной стали толщиной 4мм, при этом в процессе проектирования и последующего производства применяется технология гибки металла, позволяющая минимизировать количество сварных соединений на наиболее термонапряженных участках конструкции. Это значительно повышает прочность котла и позволяет гарантировать длительный срок использования. Конструкция теплообменника состоит из двух пеналов, что позволяет повысить конвекционную составляющую теплообмена и замедлить скорость прохождения продуктов сгорания.
Использование новейших технологий и моделирования процессов позволило оптимизировать конструкцию и габаритные размеры котла, отвечающие действующим требованиям к бытовому отопительному оборудованию. Общий объем загрузки горючего, площадь конвекционного и радиационного теплообмена, сечение колосниковых решеток рассчитаны с помощью компьютерного моделирования, проверены на практике и полностью соответствуют заявленной мощности и длительности горения. Для достижения максимальной мощности с сохранением компактных габаритных размеров в котлах Khors™ ML используются водоохлаждаемые колосники из сертифицированной цельнотянутой трубы.
При проектировании котла особое внимание уделяется эргономике и удобству использования. Дверца котла, благодаря большому размеру 312х250 мм (412х250 при мощности 30кВт), позволяет использовать древесину большого размера без предварительного измельчения. К тому же, дверца имеет независимую систему крепления и регулировки, позволяющую настраивать плотность прижатия, а также выбирать удобное направление открывания дверцы.
Кроме того, загрузочная дверца имеет защитный экран с изоляцией из вермикулитовой плиты толщиной 25мм, что предотвращает чрезмерное нагревание наружной поверхности дверцы и одновременно повышает общую температуру в камере сгорания, что в свою очередь стабилизирует процесс низкотемпературной газификации топлива.
Для доступа и обслуживания пеналов теплообменника предусмотрена верхняя дверца с независимой системой крепления и изоляцией из вермикулитовой плиты.
Конструкция топки и нижней дверцы предусматривает поставку первичного воздуха под колосниковую решетку и вторичного воздуха для дожигания продуктов низкотемпературного пиролиза в верхней части топки. Количество воздуха (интенсивность горения) контролируется с помощью ручного или механического регулятора тяги путем изменения пересечения окошка воздуха. Также предусмотрена возможность установки турбины принудительной подачи воздуха с блоком электронного управления.
Конструкция котла предусматривает возможность использования блока ТЭНов с электронной регулировкой, что позволяет предотвратить замерзание теплоносителя в системе в случае невозможности регулярного добавления топлива для горения или долгосрочного отсутствия хозяев в доме.
Отдельно в конструкции котла предусмотрена возможность монтажа котловой группы безопасности 1" и патрубок слива теплоносителя под шаровой кран 1/2".
Характеристики Котел твердотопливный ML NEW 12 Вт
- Обьем камеры сгорания:
- 57 л
- Площадь обогрева:
- 101-150
- Страна регистрации бренда:
- Украина
- Особенности:
- с термометром
- с водяным контуром
- энергонезависимые
Основные характеристики Котел твердотопливный ML NEW 12 Вт
- Бренд:
- KHORS
- Модель:
- ML NEW 12 кВт
- Мощность:
- 12 кВт
- Минимальная тепловая мощность:
- 6 кВт кВт
- Тип котла:
- Материал теплообменника:
- сталь
- Количество секций:
- 1 шт.
- Объем воды в котле:
- 87 л
- Расход пеллет:
- 1.11 кг/ч
- Рабочее давление:
- 2 атм.
- Максимальная длина деревянных брусков:
- 450 мм
- Площадь обогрева:
- 120 кв.м
- КПД:
- 88 %
- Тип управления:
- механический
- Диаметр дымохода:
- 159 мм
- Питание:
- автономное В
- Мощность пеллетной горелки:
- 12 кВт
- толщина стенки теплообменника:
- 4 мм
- Максимальное рабочее давление:
- 2 бар
- Минимальная высота дымохода:
- 4.5 м
Дополнительная информация
- Высота:
- 105 см
- Ширина:
- 49 см
- Дополнительные характеристики:
- Размер загрузочного люка 312*230 мм.
- Мощность котла:
- 13-17
- Топливо :
- одноконтурный, только отопление
- евробрикеты
- стружка
- уголь
- дрова
- пеллеты
- древесина
- торф
- щепа
- древесные брикеты
- Автоматическая подача топлива:
- нет
- Наличие вентилятора:
- без вентилятора
- Длина:
- 87 см
- Технические особенности:
- Комбинированные колосники: стальные и водотрубные (из цельнотянутой трубы) Возможность установить группу ТЭНов от 2 до 12 кВт
- Комплектация:
- Котел, стальной колосник, отражатель, воздушный клапан, монтажная планка под вентилятор, паспорт.
- Вес:
- 141 кг
- Тип розжига:
- ручной
- Разрежение в дымоходе:
- 25 Па
- Страна-производитель:
- Украина
- Гарантия:
- 36 мес.
Написать отзыв о товаре
0
На этот товар еще не оставили отзыв, будьте первым!







